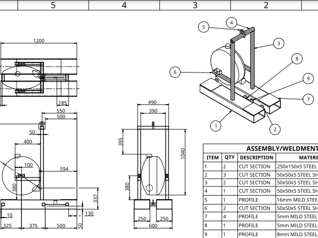
3 tonne Lifting Beam
3 tonne Lifting Beam was requested by client. Design began with consulting applicable standards and hand calculations to determine correct material sizes. The design underwent detailed FEA, as well as physical testing before being put into use.